SWITCH CABINET TRAINING CONCEPT

SWITCH CABINET TRAINING CONCEPT

Category: ENGINEERING

Model No:MT-T32C

Product Description

Specification:

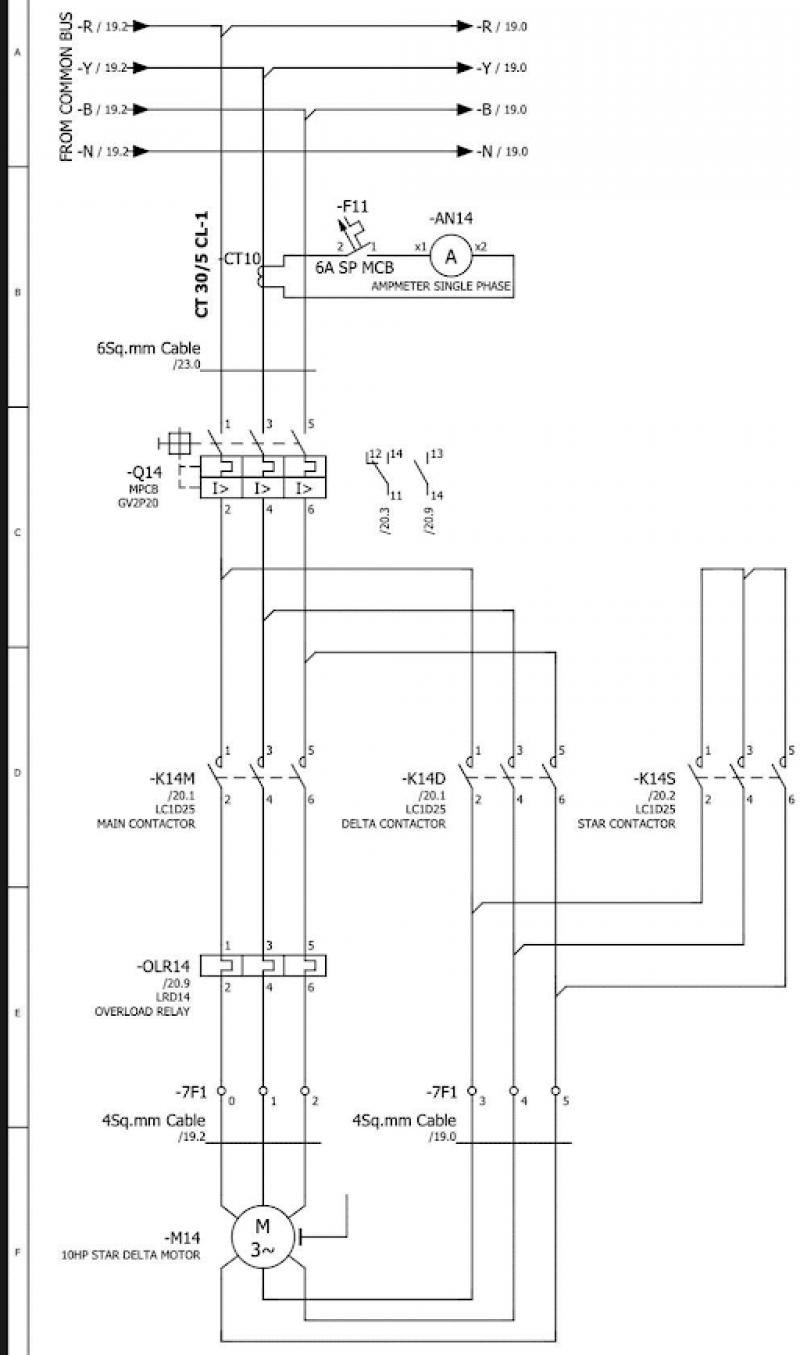
  • SWITCH CABINET TRAINING CONCEPT.
  • The material set industrial installations: Processing, equipping, assembling, wiring and
  • With a rectified voltage 24V DC
  • Work order for the material set industrial installations: Processing, equipping, assembling, wiring and
  • Testing of the control cabinet.
  • With a rectified voltage 24V DC in English language.
  • The modular concept allows you to use the switching cabinet again for future learning situations, either by using our enhancement modules or with your own enhancements.

 

Microteknik Products

Our Related Product